Компания Colorful занимается производством материнских плат с 2002 года. Тем не менее, в России продукция данного бренда пока распространена мало, кратно уступая первой тройке из MSI, ASUS и Gigabyte, а также менее именитой ASRock. Однако времена меняются, текущая политическая и экономическая ситуация вынуждает одни компании прекращать официальную деятельность на территории нашей страны, используя «серые» схемы, зато другим даёт шанс занять освобождающиеся ниши рынка.
Похоже, именно так и происходит с Colorful, материнские платы которой стали массово появляться в этом году у российских ритейлеров. Причём, речь не про штучный товар, а именно про масштабный выход на рынок с более чем тридцатью моделями плат всех ценовых классов и для любых процессоров. Сегодня мы познакомимся с материнской платой Colorful iGame Z790D5 Ultra V20 на наборе системной логики Intel Z790, относящейся к среднему ценовому сегменту, но предлагающей пользователям исчерпывающий набор функций и возможностей, свойственный скорее для флагманских плат.

⇡#Технические характеристики и стоимость
| Поддерживаемые процессоры | Процессоры Intel Core i9, Core i7, Core i5, Core i3, Pentium Gold и Celeron в исполнении LGA1700 двенадцатого, тринадцатого и четырнадцатого поколений микроархитектуры Core; |
| поддержка технологий Intel Turbo Boost 2.0 и Turbo Boost Max 3.0 | |
| Чипсет | Intel Z790 |
| Подсистема памяти | 4 × DIMM DDR5 общим объёмом до 192 Гбайт; |
| двухканальный режим работы памяти; | |
| поддержка модулей с частотами от 4800 до 5600 МГц (JEDEC) и от 5800 до 7800 МГц (OC); | |
| поддержка Intel XMP 3.0 (Extreme Memory Profile) | |
| Графический интерфейс | 1 × HDMI 2.0 (4K 60 Гц); |
| 1 × DisplayPort 1.2 (4K 60 Гц) | |
| Разъёмы для плат расширения | От процессора: |
| 1 слот PCI Express 5.0/4.0/3.0 x16; | |
| От чипсета Intel Z790: | |
| 1 слот PCI Express 4.0 x4 (конструктивно x16); | |
| 1 слот PCI Express 4.0 x4; | |
| 1 слот PCI Express 3.0 x1 | |
| Интерфейсы накопителей | От процессора: |
| 1 x M.2 (M.2_1) поддерживает только PCIe-накопители 4.0 x4 длиной 42, 60, 80 или 110 мм. | |
| От чипсета Intel Z790: | |
| 2 × M.2 (M.2_2 и M.2_3) поддерживают только PCIe-накопители 4.0 x4 длиной 42, 60 или 80 мм; | |
| 1 × M.2 (M.2_4) поддерживает SATA- и PCIe-накопители 4.0 x4 длиной 42, 60 или 80 мм; | |
| 6 × SATA с пропускной способностью до 6 Гбит/с (поддержка RAID 0, 1, 5 и 10, Intel Rapid Storage Technology, NCQ, AHCI и Hot Plug) | |
| Сетевые | 2.5-гигабитный сетевой контроллер Realtek RTL8125BG; |
| интерфейсы | беспроводный модуль Wi-Fi 6E Intel AX211 (802.11 a/b/g/n/ac/ax), с поддержкой работы в диапазонах 2.4, 5 и 6 ГГц (ширина канала 320 МГц) и Bluetooth 5.3 |
| Аудиоподсистема | 7.1-канальный HD-аудиокодек Realtek ALC1220 32 бит/192 кГц: |
| аудио-конденсаторы Chemicon; | |
| экранирование аудиопроцессора; | |
| изоляция зоны аудио от остальных компонентов печатной платы | |
| Интерфейс USB | Общее число USB-портов – 17, в том числе: |
| 2 порта USB 3.2 Gen2×2 20 Гбит/с (Type-C, на задней панели и через внутренний коннектор); | |
| 3 порта USB 3.2 Gen2 10 Гбит/с (Type-A на задней панели); | |
| 4 порта USB 3.2 Gen1 5 Гбит/с (2 Type-A на задней панели и 2 через внутренний коннектор); | |
| 8 портов USB 2.0 (4 на задней панели и 4 через внутренние коннекторы) | |
| Разъёмы и кнопки на задней панели | Кнопки Clear CMOS и BIOS Update; |
| четыре порта USB 2.0; | |
| видеовыходы HDMI 2.0 и DisplayPort 1.2; | |
| два порта USB 3.2 Gen2 Type-A и два порта USB 3.2 Gen1; | |
| порт USB 3.2 Gen2×2 Type-C, порт USB 3.2 Gen2 Type-A и сетевой порт 2.5G; | |
| два коннектора SMA для антенн беспроводного модуля связи (2T2R); | |
| пять 3,5-мм аудиоразъёмов и оптический выход | |
| Внутренние разъёмы на текстолите | 24-контактный разъём питания ATX; |
| 2 × 8-контактных разъёма питания ATX 12 В; | |
| 6 SATA 3; | |
| 4 M.2 Socket 3; | |
| разъём USB Type-C для подключения порта USB 3.2 Gen2×2 Type-C; | |
| разъём USB для подключения четырёх портов USB 3.2 Gen1; | |
| 2 разъёма USB для подключения четырёх портов USB 2.0; | |
| 4-pin разъём для вентилятора(ов) системы охлаждения CPU; | |
| 4-pin разъём для помп СЖО CPU; | |
| 3 4-pin разъёма для корпусных вентиляторов с поддержкой PWM; | |
| группа разъёмов для передней панели корпуса; | |
| разъём аудио для передней панели корпуса; | |
| 2 коннектора ARGB LED (поддержка адресуемых светодиодных лент 5В/3A); | |
| 2 коннектора RGB LED (поддержка светодиодных лент 12В/3A); | |
| коннектор СOM-порта; | |
| переключатель BIOS; | |
| индикатор POST-кодов; | |
| 4 светодиода контроля CPU/DIMM/GPU/BOOT | |
| BIOS | 128 Мбит UEFI AMI BIOS с мультиязычным интерфейсом и графической оболочкой, поддержка ACPI 6.4 и SMBIOS 3.5 |
| Контроллер I/O | Nuvoton NCT6796D-E |
| Дополнительно (особенности) | Восьмислойная печатная плата с удвоенным содержанием меди; |
| система питания CPU 18+1+1 (90А DrMOS); | |
| все разъёмы M.2 с радиаторами и фиксаторами; | |
| программное обеспечение iGame Center | |
| Форм-фактор, габариты (мм) | ATX, 305 × 244 |
| Поддержка операционной системы | Windows 11 x64, Windows 10 x64 |
| Гарантия производителя, лет | 3 |
| Розничная стоимость, руб. | 39 880 |
⇡#Упаковка и комплектация
Большая коробка Colorful iGame Z790D5 Ultra V20 выполнена из глянцевого картона, переливающегося цветами под разными углами, порой даже до такой степени, что прочитать шрифт невозможно. Впрочем, это вряд ли можно назвать недостатком, скорее – особенностью платы.
|
|
|
На коробке указано всё необходимое, что потенциальный покупатель должен знать об устройстве, находящемся внутри, а также перечислена комплектация.
На одном из торцов коробки приклеен стикер, на котором можно найти серийный номер платы, штрих-коды и QR-коды.

Внутри коробки плата лежит на отдельном поддоне и запечатана в антистатический пакет. Под ней находятся отсеки с комплектующими и аксессуарами. В их числе четыре кабеля SATA, кабели подсветки, колодки для USB и кабелей передней панели, три стойки для накопителей M.2, антенна беспроводного модуля связи, флешка с драйверами, набор наклеек и инструкция.
|
|
|
Бонусом к плате идёт отвертка с набором из 24 сменных насадок – редкий случай для комплектации плат последнего времени.

Добавим, что Colorful iGame Z790D5 Ultra V20 производится в Китае и что в России она продаётся по цене чуть меньше 40 тысяч рублей. Учитывая, что на чипсете Intel Z790 материнские платы сегодня стоят и по 80, и по 100 тысяч рублей, данную модель всё ещё можно отнести к среднему ценовому уровню.
⇡#Дизайн и особенности
Дизайн Colorful iGame Z790D5 Ultra V20 очень необычный. С первого взгляда кажется, что плата белая, но на самом деле она переливается цветами под разными углами, благодаря голографическим наклейкам на радиаторе VRM и чипсете.
|
|
|
Да, выглядит плата несколько «игрушечно», а переизбыток разных надписей на радиаторах не придает вид серьёзного продукта. При этом нужно понимать, что сама Colorful позиционирует данную модель как геймерскую и молодёжную, чем и объясняется такой необычный дизайн.
Сразу отмечаем, что на текстолите нет пластиковых деталей, только алюминий, включая все радиаторы для накопителей в портах M.2.
|
|
|
Вдобавок, есть две теплораспределительные пластины на обратной стороне текстолита: одна под основной цепью VRM, а вторая под набором системной логики Intel Z790.
|
|
|
Панель портов ввода-вывода интегрирована в плату и стилизована под общую концепцию оформления iGame Z790D5 Ultra V20.

На данной панели размещены утопленные кнопки Clear CMOS и BIOS Update, четыре порта USB 2.0, видеовыходы HDMI 2.0 и DisplayPort 1.2, два порта USB 3.2 Gen2 Type-A и два порта USB 3.2 Gen1, высокоскоростной порт USB 3.2 Gen2×2 Type-C 20 Гбит/с, порт USB 3.2 Gen2 Type-A и сетевой порт 2.5G, а также два коннектора SMA для антенн беспроводного модуля связи (2T2R), пять 3,5-мм аудиоразъёмов и оптический выход. Отмечаем, что на панели ещё есть место под размещение пары USB, но их на неё по каким-то причинам не вывели.
Крепление всех радиаторов к текстолиту платы винтовое. Без радиаторов Colorful iGame Z790D5 Ultra V20 выглядит следующим образом.
|
|
|
Плата базируется на восьмислойном текстолите с удвоенным содержанием меди в слоях. Отметим, что восьмислойный текстолит используется, как правило, во флагманских моделях материнских плат.
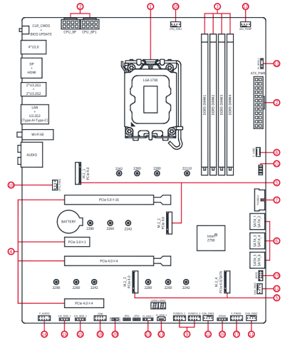
В инструкции по эксплуатации платы приведена схема с расположением всех её элементов, с которой мы рекомендуем ознакомиться перед сборкой.
|
|
|
Разъём для процессоров Intel конструктивного исполнения LGA1700 с усилительной пластиной с обратной стороны текстолита в полной мере стандартен, его центральная часть заполнена 38 микро-конденсаторами.
|
|
|
В списке официально-поддерживаемых платой Colorful процессоров числятся все выпущенные Intel модели с LGA1700 от Celeron G6900T до Core i9-14900K.
Система питания процессора построена по схеме «18+1+1» (VCore+iGPU+VCCIO).
|
|
|
На питание процессора отведено восемнадцать 90-амперных Smart Power Stage (SPS) ISL99390 производства Renesas. Таким образом суммарная силовая мощность цепи питания процессора на этой плане достигает впечатляющих 1620 А.
|
|
|
Управление питанием процессора возложено на ШИМ-контроллер Renesas RAA229131.

Что касается непосредственно подачи питания на плату, то здесь всё стандартно: один 24-контактный разъём и два 8-контактных.
|
|
|
Разъёмы повёрнуты фиксаторами наружу, поэтому монтировать кабели удобно.
Четыре слота для оперативной памяти стандарта DDR5 оснащены алюминиевыми рамками, что одновременно усиливает слоты и экранирует их от электромагнитных помех. Фиксаторы есть только с правой стороны.

Максимальный объём памяти на Colorful iGame Z790D5 Ultra V20 может достигать 192 Гбайт, а предельная заявленная частота составляет 7800 МГц, хотя в BIOS доступны и более высокие значения. На странице поддержки платы приведён список гарантировано совместимых модулей, который поможет при конфигурировании системы. Система питания оперативной памяти однофазная.

Набор системной логики Intel Z790 охлаждается плоским алюминиевым радиатором через тонкую термопрокладку.

Он обеспечивает работу большинства компонентов платы, включая три слота PCI Express из четырёх доступных, а первый подключен к процессору и относится к модификации 5.0.

К Colorful iGame Z790D5 Ultra V20 можно подключить шесть накопителей через порты SATA и четыре M.2.

Два из шести SATA-портов обеспечиваются контроллером ASM1061.

Для всех накопителей в портах M.2 предусмотрены радиаторы с термопрокладками, а также безвинтовые фиксаторы.

Первый порт подключен к процессору и поддерживает только PCIe-накопители 4.0 x4 длиной 42, 60, 80 или 110 мм. Второй и третий порты работают от чипсета с накопителями PCIe, но максимальной длиной 80 мм.

Четвёртый порт также работает от чипсета, но поддерживает не только PCIe-, но и SATA-накопители длиной 42, 60 или 80 мм. Никакого разделения чипсетных или процессорных линий с другими компонентами платы на Colorful iGame Z790D5 Ultra V20 нет.
Плата наделена двумя сетевыми контроллерами. Кабельная сеть реализована 2,5-гигабитным контроллером Realtek RTL8125BG, а беспроводная модулем Wi-Fi 6E Intel AX211 с поддержкой протокола 802.11ax и Bluetooth версии 5.3.
Портов USB на плате в достатке. Их общее количество — 17, включая один высокоскоростной порт USB 3.2 Gen2x2 (20 Гбит/с) на интерфейсной панели. К внутренним разъёмам платы можно подключить четыре порта USB версии 2.0, два USB 3.2 Gen1 (5 Гбит/с) и ещё один USB 3.2 Gen2x2 (20 Гбит/с).
|
|
|
Кроме непосредственно чипсета, в реализации портов USB на плате участвует контроллер Genesys Logic GL3523.

Звук реализован 7.1-канальным HD-аудиокодеком Realtek ALC1220, экранированным алюминиевым колпачком и дополненным двенадцатью конденсаторами Chemicon японского производства. Отдельного усилителя нет.

Зона аудиотракта на текстолите изолирована от остальных элементов токонепроводящей полосой.

За функции Super I/O, мониторинга и управления вентиляторами отвечает контроллер Nuvoton NCT6796D-E.

На Colorful iGame Z790D5 Ultra V20 предусмотрены шесть четырёхконтактных разъёмов для подключения вентиляторов или помп систем жидкостного охлаждения, а управление ими реализовано в BIOS. Разъёмы распределены на текстолите так, что удобно подключать как процессорные, так и корпусные вентиляторы.
Микросхема BIOS на плате одна, но с возможностью восстановления или автоматической перепрошивки через выделенный USB порт (отмечен не панели ввода-вывода) под управлением контроллера Holtek HT32F52352.

Для лент светодиодной подсветки на плате предусмотрены два коннектора 5В ARGB и один 12В RGB, а также маленький переключатель подсветки.

Настройка подсветки реализована через приложение Colorful iGame Center.
Интересно, что на плате есть и индикатор POST-кодов, и сигнальные светодиоды CPU/DIMM/GPU/BOOT. Как правило, производители плат устанавливают что-то одно, а в случае с iGame Z790D5 Ultra V20 компания Colorful не поскупилась на оба варианта.
|
|
|
Нижний край текстолита платы выглядит следующим образом.

Что касается охлаждения, то и с этим у iGame Z790D5 Ultra V20 всё в порядке. За цепи VRM отвечает двойной алюминиевый радиатор с 6-мм тепловой трубкой, чипсет охлаждается отдельным плоским радиатором, а для накопителей M.2 предусмотрены свои плоские радиаторы с термопрокладками.

⇡#Возможности UEFI BIOS
С момента анонса Colorful iGame Z790D5 Ultra V20 в конце прошлого года для платы выпущено десять версий BIOS, последнюю из которых — 1020 от 13 августа 2024 года — мы и прошили в плату перед проведением тестирования. Оформление оболочки выполнено в чёрном цвете с красными и белыми шрифтами. Пользователю доступны два режима настроек BIOS: базовый и расширенный, для переключения между которыми используется клавиша F11.

⇡#Базовый режим
В базовом режиме слева выводится панель с данными мониторинга, а справа в пяти основных разделах сгруппированы настройки.

⇡#Расширенный режим
В основном разделе Advanced собраны одиннадцать подразделов с настройками контроллеров платы, параметрами процессора, безопасности и настройками мониторинга. С ними вы можете ознакомиться по приведённым далее скриншотам. Они не требуют отдельных комментариев.
|
|
|
|
|
|
|
|
|
|
|
|
|
|
|
|
|
|
|
|
Для настройки процессора и оперативной памяти предназначен основной раздел OC с тремя подразделами: частоты, память и напряжения.

Из интересного выделим возможность активации одного из пяти уровней стабилизации напряжения на ядре процессора (LLC). При выборе параметров снизу слева выводятся подсказки.
|
|
|

Что касается самих напряжений, то диапазоны их регулировок мы приведём в следующей таблице.
| Напряжение | Минимальное значение, В | Максимальное значение, В | Шаг |
| CPU Core | 0,000 | 2,000 | 0,001 |
| CPU Core Offset | 0,000 | 0,500 | 0,001 |
| CPU SA | 0,000 | 1,000 | 0,001 |
| CPU V1P05A | 1,050 | 1,600 | 0,001 |
| VCCIN AUX | 1,800 | 2,600 | 0,001 |
| CPU Core PLL | 0,900 | 1,400 | 0,001 |
| RING PLL | 0,900 | 1,845 | 0,001 |
| SA PLL | 0,900 | 1,845 | 0,001 |
| MC PLL | 0,900 | 1,845 | 0,001 |
| Atom PLL | 0,900 | 1,845 | 0,001 |
| Mem VDD | 1,100 | 2,000 | 0,001 |
| Mem VDDQ | 1,100 | 2,000 | 0,001 |
| Mem VPP | 1,800 | 2,600 | 0,001 |
| CPU VDDQ | 1,100 | 2,000 | 0,001 |
| CPU VDD2 | 1,100 | 2,000 | 0,001 |
Шаг в 0,001 В для всех параметров – не опечатка и не ошибка, Colorful iGame Z790D5 Ultra V20 действительно предоставляет такую возможность своим пользователям. Не припомним, чтобы у какого-то ещё производителя плат была возможна столь тонкая настройка вообще всех напряжений.
Управление параметрами оперативной памяти BIOS материнской платы также можно назвать исчерпывающим. Здесь и частоты, и напряжения, и три группы таймингов, и конфигурация их тренировки, и ещё масса второстепенных настроек.
|
|
|
|
|
|
|
|
|
|
|
|
|
|
|
В основном разделе TOOL можно обновить BIOS или сохранить его на внешний накопитель.

Здесь же реализована возможность создания и последующей загрузки восьми профилей BIOS.

Остаются ещё два основных раздела – с параметрами загрузки и сохранения BIOS.
|
|
|
Ещё интересный момент: из базового режима BIOS можно открыть утилиту с кривыми настройки подключенных к плате вентиляторов, а вот где это сделать в расширенном режиме, мы так и не нашли.

Также при ручной регулировке кривой нельзя поднять верхнюю границу скорости до 100%, только 90% (проверено с разными моделями вентиляторов). Чем вызвано такое ограничение, сказать сложно.
В целом оболочка требует привычки, но работает стабильно и быстро. При выходе из BIOS отображаются параметры, которые были изменены пользователем в процессе настройки. Рекомендуем не пренебрегать этой полезной особенностью и лишний раз всё перепроверить перед сохранением и перезагрузкой.
⇡#Разгон и стабильность
Проверка стабильности и производительности материнской платы Colorful iGame Z790D5 Ultra V20 была проведена в закрытом корпусе системного блока при температуре в помещении 24,5 градуса Цельсия. Конфигурация тестового стенда состояла из следующих комплектующих:
- материнская плата: Colorful iGame Z790D5 Ultra V20 (Intel Z790, LGA1700, BIOS 1020 от 13.08.2024);
- процессор: Intel Core i9-13900K 3,0-5,8P/2,2-4,3E ГГц (Raptor Lake, 10 нм, 8/16P+16E ядер, 36 Мбайт L3, TDP 125/253 Вт);
- система охлаждения: PentaWave Z06D (2 × 120 мм, PWM 620–2010 об/мин);
- термоинтерфейс: ID-Cooling Frost X35 [14,2 Вт/(м·ºК)];
- оперативная память: DDR5 2 × 24 Гбайт Team Group T-Create Expert (CTCED548G7200HC34ADC01), XMP 7200 МГц 34-42-42-84 CR2 при 1,4 В;
- видеокарта: NVIDIA GeForce RTX 2060 SUPER FE 8 Гбайт/256 бит, 1470-1650/14000 МГц;
- накопители:
- система и бенчмарки: Crucial T700 1 Тбайт (CT1000T700SSD3, PCIe 4.0 x4);
- бенчмарки и игры: Patriot VIPER VP4300 1 Тбайт (VP4300-1TBM28H, PCIe 4.0 x4);
- бенчмарки и игры: Netac N950E Pro 1 Тбайт (NT01N950E-001T-E4X, PCIe 3.0 x4);
- бенчмарки: Gigabyte GP-AG4500G 0,5 Тбайт (PCIe 4.0 x4);
- хранение: Intel SSD 730 480 Гбайт (SATA III, BIOS vL2010400);
- корпус: Thermaltake Core X71 (шесть 140-мм be quiet! Silent Wings 3 PWM: три спереди на вдув 800-1050 об/мин, два сверху на выдув 800-1020 об/мин, один сзади на выдув 800-1610 об/мин, PWM-регулировка);
- блок питания: Thermaltake Toughpower GF3 (1,65 кВт, 80 Plus Gold), 135-мм вентилятор).
Тестирование было проведено под управлением операционной системы Microsoft Windows 11 Pro версии 24H2 (26100.2605) с установкой следующих драйверов:
- чипсет материнской платы Intel Chipset Drivers – 10.1.20020.8623 WHQL от 24.10.2024;
- Intel Management Engine Interface (MEI) – 2441.6.4.0 WHQL от 28.11.2024;
- драйверы видеокарты – NVIDIA GeForce 566.03 WHQL от 22.10.2024.
Стабильность системы при разгоне мы проверяли стресс-утилитой Cinebench R23 и другими бенчмарками, а мониторинг проводился с помощью HWiNFO64 версии 8.16-5600. Основные характеристики Colorful iGame Z790D5 Ultra V20 приведены из утилиты AIDA64 Extreme.

Первый запуск и тест платы мы традиционно проводим при автоматических настройках BIOS, не считая активации XMP оперативной памяти.

Ну и, как правило, такой подход сложно назвать эффективным. Вот и сегодня с Colorful iGame Z790D5 Ultra V20 мы стали свидетелями очередного перегрева и троттлинга, что хорошо видно по скриншоту с данными мониторинга.

Частота P-ядер процессора в нагрузке держалась на уровне 5,5 ГГц, E-ядер – 4,3 ГГц, напряжение повышалось вплоть до 1,392 В, а энергопотребление процессора по данным HWiNFO64 достигло 393 ватт. Разумеется, в этом случае никакой воздушный кулер и никакая система жидкостного охлаждения не справится с такой нагрузкой, отсюда и 100 градусов Цельсия с троттлингом. Всё это не недостаток платы Colorful, это типично для подавляющего большинства плат с флагманскими процессорами Intel.
Что делать в такой ситуации? Настраивать вручную, конечно же. Но прежде мы активировали в BIOS энергоэффективный профиль настроек и провели тест ещё раз, получив следующие показатели.

В этом случае плата ограничивает частоту P-ядер на 3 ГГц, и E-ядер на 2,2 ГГц, а энергопотребление процессора не превышает отметку 90 ватт. Понятно, что никакого перегрева не наблюдается, даже вентиляторы кулера не раскручиваются выше 900 об/мин. Однако, вряд ли этот вариант устроит владельцев производительных процессоров и плат стоимостью 40 тысяч рублей. Поэтому идём дальше.
Поскольку возможности нашего экземпляра Intel Core i9-13900K давно известны, то подобрать оптимальные напряжения для определённых частот не составило труда. Так для частоты производительных ядер 5,3 ГГц и энергоэффективных 4,2 ГГц потребовалось зафиксировать напряжение на уровне 1,080 В при LLC 1 (наиболее стабильный).

Данные мониторинга в стресс-тесте с такими настройками BIOS приведены далее.

Как видим, максимальная температура процессора не превысила отметку 81 градус Цельсия, уровень энергопотребления достигал 238 ватт, а цепи VRM не прогревались выше 62 градусов Цельсия. Неплохо, но попробуем улучшить.
Теперь мы фиксируем частоту P-ядер на 5,4 ГГц, E-ядра работают на 4,3 ГГц, а минимальное напряжение для этого оказалось равно 1,130 В (AIDA64 берет данные с какого-то другого датчика).

С такими настройками максимальная температура уже достигала 90 градусов Цельсия при 258 ваттах.

Температуры цепей VRM платы повысились до 66 градусов Цельсия, что очень неплохо для таких условий тестирования и настроек. А вот для следующей ступеньки частот (P5,5/E4,3 ГГц) воздушного охлаждения уже не хватало, хотя сама плата никаких ограничений для достижения таких частот не накладывала. Просто нужен более удачный семпл процессора и система жидкостного охлаждения.
С оперативной памятью плата Colorful работает корректно и предсказуемо, но без рекордов. Из пары модулей Team Group с номинальной частотой 7200 МГц удалось выжать только 7400 МГц на ослабленных таймингах, тогда как на плате другого производителя с этим же процессором и комплектом DIMM были достигнуты стабильные 7600 МГц. Поэтому мы решили настроить тайминги оперативной памяти на штатной частоте и продемонстрировать результаты тестирования до и после.
|
|
|
После настройки пропускная способность оперативной памяти выросла на 10%, а латентность снизилась почти на 18%. Добавим, что если задать в BIOS слишком оптимистичные настройки памяти, то плата не проходит CMOS, но не сбрасывает автоматически настройки на значения по умолчанию или предыдущие рабочие, поэтому в этом случае помогает только сброс BIOS.
⇡#Заключение
Материнская плата Colorful iGame Z790D5 Ultra V20 показала себя довольно зрелым продуктом с исчерпывающим набором аппаратных возможностей и программных настроек. В её основе восьмислойный текстолит с очень мощной системой питания процессора с восемнадцатью 90-амперными фазами, которые уверенно охлаждаются массивными радиаторами. Четыре слота для оперативной памяти с частотами до 7800 МГц (на практике доступны частоты и выше), столько же разъёмов M.2, шесть SATA, семнадцать USB (включая два 20-гигабитных), два сетевых контроллера 2,5 Гбит и с поддержкой Wi-Fi 6E, а также очень красивый и необычный дизайн, трёхлетняя гарантия и бонус в виде отвертки с набором головок в комплекте поставки. BIOS стабилен и максимально функционален.
Казалось бы, всё довольно неплохо, если бы не несколько «но». Сравнивая iGame Z790D5 Ultra V20 с платами на Intel Z790 других производителей за такие же деньги, мы не можем не отметить наличие только четырех M.2-разъемов против пяти у конкурентов и отсутствие поддержки накопителя с PCIe 5.0, а также лишь Wi-Fi 6E против Wi-Fi 7 (понятно, что на практике это некритично, но всё же), звук Realtek ALC1220 против ALC4080. Кроме того здесь нет Thunderbolt и лишь шесть коннекторов для вентиляторов против семи-восьми у конкурентов. Тем не менее, в целом плата нам понравилась, поэтому пожелаем Colorful закрепиться на российском рынке, успешно совершенствовать свои продукты и создать серьёзную конкуренцию первой тройке производителей материнских плат.

























































